Industrieel kastdeurslotis het belangrijkste beschermende onderdeel van verdeelkast, communicatiekast, schakelkast en andere apparatuur, dat rechtstreeks verband houdt met de veiligheid van interne elektrische componenten en de stabiele werking van het systeem.
Om te voldoen aan de uiteenlopende eisen op het gebied van levertijd en specificaties voor verschillende projecten, heeft ons bedrijf altijd vijf soorten veelgebruikte sloten op voorraad:Lang staafslot, Paneelvergrendeling, Stangbedieningsslot, Handvat slot,Roterende tongvergrendeling. Tegelijkertijd ondersteunen wij elk niet-standaard slot dat is aangepast volgens tekeningen of monsters en dat perfect geschikt is voor alle soorten metalen verdeelkasten.
Vliegtuigslot is een van de meest voorkomende soorten industriële kastdeursloten, zowel mooi als gemakkelijk te onderhouden. Ons bedrijf lanceerde het vlakslot uit de AB301-, AB302-, AB303-, AB402-, AB403-serie, wat qua structurele sterkte, beschermingsprestaties en bedieningsgevoel van het gedifferentieerde ontwerp kan voldoen aan de verschillende specificaties van de verdeelkast en de installatievereisten van de schakelkast.
| Afmetingen | Productnummer | |||||||
| L1 | L2 | L3 | B1 | B2 | Grijs verchroomd | Grijze spuitverf | Zwart gepoedercoat | Gewicht (g) |
| 147 | 117 | 72 | 33 | 26.5 | AB301-1-1.2 | AB301-1-1.8 | AB301 | 370 |
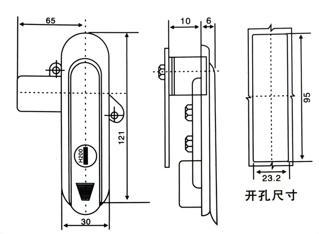
| 120.5 | 95.5 | 65 | 30 | 23.5 | AB301-2-1.2 | AB301-2-1.8 | AB302 | 290 |
| 87.5 | 62.5 | 65 | 28.5 | 23.5 | AB301-3-1.2 | AB301-3-1.8 | AB303 | 215 |
Hoofdmateriaal: zinklegering.
Oppervlaktebehandeling: helder chroom, mat, zwart.
Functie en gebruik: Realiseer linker- en rechterdeuropening, eenvoudig te gebruiken, met afdichtings- en waterdichte functie.
Hoofdmateriaal: zinklegering.
Oppervlaktebehandeling: helder chroom, mat, zwart.
Functie en gebruik: Realiseer linker- en rechterdeuropening, eenvoudig te gebruiken, met afdichtings- en waterdichte functie.
Materiaal: slotlichaam van zinklegering, roterende as, gegalvaniseerde stalen bout, drukplaat.
Oppervlaktebehandeling: zilvergrijze nanospray.
Structuurbeschrijving: Draai 90 graden om te openen of te vergrendelen.
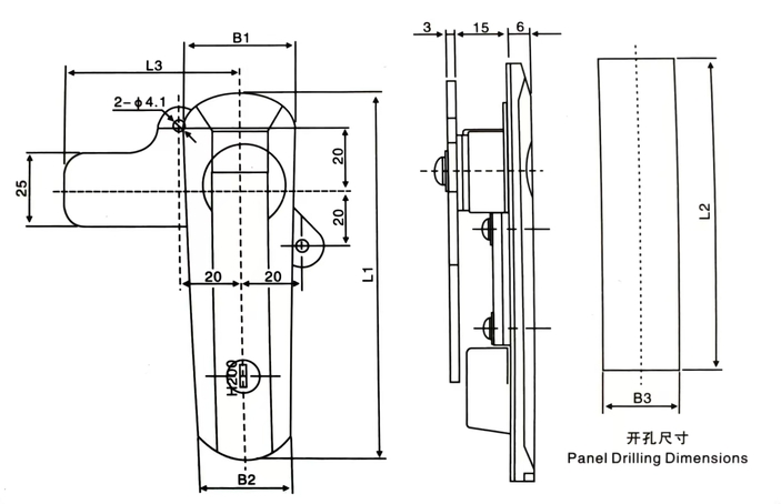
| MODEL | L1 | L2 | L3 | B1 | B2 | B3 |
| NIEUW AB402-A | 123 | 95.5 | 65 | 36.5 | 30 | 23.5 |
| NIEUW AB403-A | 91 | 62.5 | 65 | 33 | 28.5 | 23.5 |
| NIEUW AB401-A | 151 | 117 | 72 | 36 | 30 | 26.5 |
